Стойка Lider 9-36 с ручным байпасом
Доставка с оплатой при получении:
по Москве: завтра Бесплатно
по Московской области: 1-2 дня от 450 р
по РФ: от 1 дня Бесплатно до ПВЗ
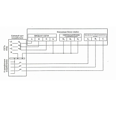
Описание: стойка Lider 9-36 с ручным байпасом является коммутационным элементом трехфазных стабилизаторов напряжения Lider мощностью от 9 до 36 кВА. На стойку один над другим навешиваются штатные однофазные стабилизаторы напряжения от 3 до 12 кВА каждый. Стойка с ручным пофазным байпасом позволяет работать стабилизаторам независимо друг от друга. В случае отключения одного из стабилизаторов, остальные продолжают работать. Стойка оснащена ручным пофазным байпасом, с помощью которого можно направить напряжение через стабилизатор (положение «0» на байпасе) или в обход стабилизатора (положение «1»). При положении «1» байпаса, напряжение поступает напрямую к потребителям в обход стабилизатора, а стабилизатор обесточивается.
Применение: Основное применение - коттеджи и небольшие производственные предприятия с трехфазным питанием. В бытовом применении устанавливается, как правило на общую электросеть дома.
Исполнение: стойка Lider 9-36 с ручным пофазным байпасом выполнена в металлическом корпусе напольного исполнения. На передней панели расположены переключатели байпаса. Подключение питания и потребителей осуществляется через клеммные колодки расположенные в верхней части стойки, подключение стабилизаторов – через кабель, проложенный внутри стойки. При навешивании стабилизаторов стойка устойчива и не требует дополнительного крепления к стене.
В нашей Компании Вы всегда можете купить стабилизаторы Lider по выгодной цене и бесплатной доставкой.




